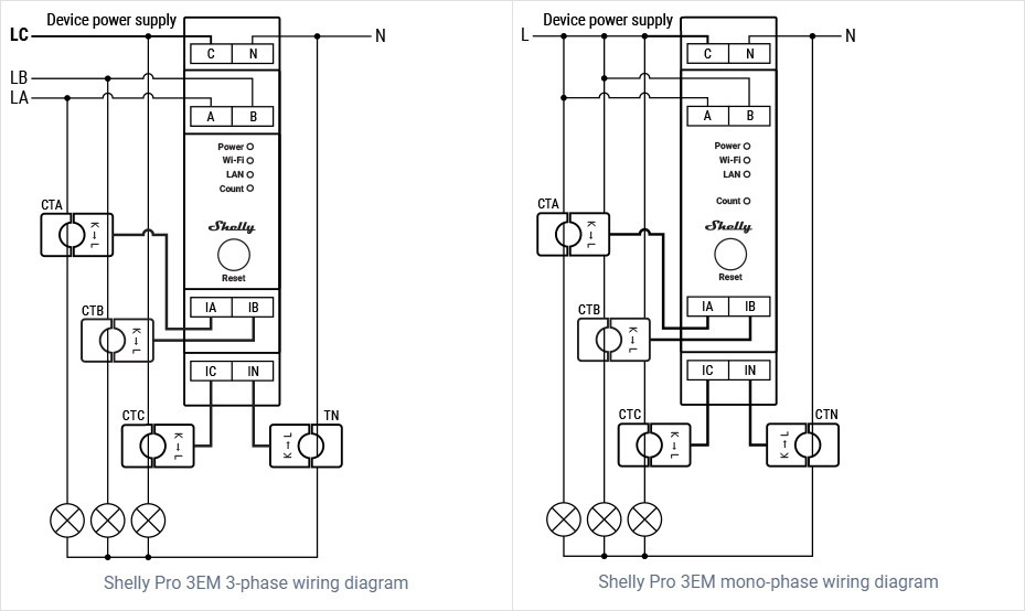
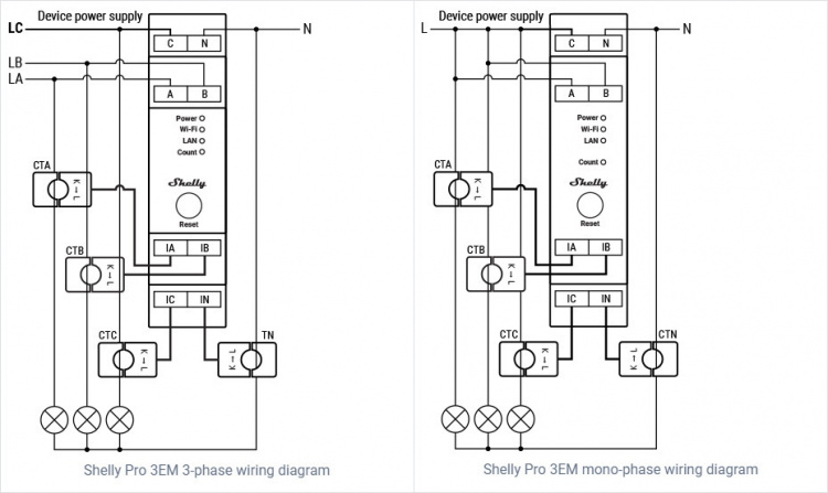
Shelly Pro3 EM er en trefaset energimåler som ved hjelp av transformatoravledere måler energi i tre separate faser med en belastning på opptil 120 A og en nøyaktighet på 99 %. Enheten rapporterer akkumulert energi i sanntid samt øyeblikkelig spenning, strøm og effektfaktor for hver fase. Den lagrer data i et ikke-flyktig minne, som kan hentes frem i opptil 60 dager med 1 minutters intervaller.
Shelly Pro 3EM er designet for montering på DIN-skinne og leveres med tre strømtransformatorer. Enheten rapporterer effektmåling (W), spenningsmåling (V), strømmåling (A) og effektfaktor (PF) i sanntid og lagrer målingene i opptil 60 dager lokalt på enheten og 365 dager når den er koblet til Shelly Cloud-appen. Enheten oppfyller også kravene i standarden IEC 62053-21 med en nøyaktighet som tilsvarer klasse B (maks. 1 % avvik). Shelly Pro 3EM har en innebygd sanntidsklokke som lagrer klokkeslett og dato dersom forbindelsen til SNTP-serveren brytes.
Shelly Pro 3EM kan kobles til Internett eller et lokalt 2,4 GHz WiFi-nettverk. I tillegg har enheten innebygd Bluetooth, som alle Pro- og Plus-enheter, noe som gjør det mulig å bruke Shelly Pro 3EM som en gateway til andre Shelly Bluetooth-enheter. Enheten fungerer lokalt uten tilkobling til Shelly Cloud, men det anbefales å aktivere denne for å forenkle datalagring og øke funksjonaliteten. Enheten kan også kommunisere via MQTT, HTTP og WebSocket. I tillegg støtter Pro 3EM MODBUS-bussen, som muliggjør enkel og rask implementering i eksisterende industrielle installasjoner.
Enheten er utstyrt med 2. generasjons maskinvare, som inkluderer en kraftig ESP32-prosessor og forbedrede sikkerhetsfunksjoner, som beskyttelse mot overoppheting, overstrøm, overspenning og overbelastning. Den muliggjør også bruk av kommandosekvensfunksjoner for avanserte og tilpassede funksjoner samt rekkeviddeutvidelsesfunksjon med enheten.
Merk at «Shelly» Pro 3EM ikke har et innebygd tørrkontaktrelé, slik som den gamle «Shelly» 3EM. I stedet kan man koble til «Shelly» Pro Add-On-modulen for opptil trefaset kobling.
Shelly n smarthusprodukter støtter de virtuelle assistentene Amazon Alexa og Google Assistant. I tillegg til de ovennevnte støttes også flere andre smarthussystemer/plattformer (sjekk kompatibilitet for hvert enkelt produkt). Shellys produkter kobles til et trådløst Wi-Fi-nettverk og trenger ikke en separat hjemmeautomatiseringskontroller for å fungere.
Merk: Installasjonen må kun utføres av en autorisert elektriker.
Funksjoner:
- Modell: Shelly Pro 3EM
- Nominell spenning: vekselstrøm: 110–240 V, 50/60 Hz
- Tre uavhengige målekanaler på maks. 120 A
- Det interne minnet lagrer historikkdata for opptil 60 dager
- Trådløs standard: Wi-Fi 802.11b/g/n, 2,4 GHz
- Støtte for MQTT, HTTP, WebSocket og MODBUS
- Shelly Cloud-app – støtte for Android og iOS
- Driftstemperatur: -20 ºC til +40 ºC, kun for innendørs bruk
- Mål: 94 x 19 x 69 mm
- Vekt: 62 g
Innhold i salgspakken:
- Shelly Pro 3EM
- 120 A klemmer, 3 stk
- Kortveiledning
- Kobles til Wi-Fi-nettverk
- For måling av strømforbruk
- Til trefasemåling
